Stereo Flash Photography With Twin Digital Cameras


Frequently with photography, the ambient light is inadequate for an exposure, and an external light source is needed. A small electronically controlled xenon strobe light (a "flash") can be portable and inexpensive, and can be a convenient way to augment the illumination. However, flash photography can be difficult even for a single camera because of the very short duration of light from the strobe, requiring that the strobe be triggered at the exact right moment.

For twin camera stereo photography, synchronizing the camera exposures with each other, and the flash then with the exposures can be particularly challenging. And while non-SLR digital cameras seem to have less of an issue with shutter curtain speed, other aspects of these digitals make flash photography even more challenging.

Single Camera Trigger: In the digital cameras that I have examined, the cameras trigger the strobe at the very beginning of the exposure (Fig. 1). With a twin camera rig with two strobes, frequently one of the exposures will have the illumination of one strobe, and the other exposure will have the illumination of two strobes. If one of the strobes is blocked, then frequently one exposure will have no strobe illumination, and the other will have the illumination of one strobe.

Even if the camera exposures can be precisely synchronized, the strobe is so close to the beginning of one camera's exposure that the slightest variability in shutter lag (time from shutter button press to exposure) will significantly decrease the chance of success of a flash exposure showing up on both exposures. If the camera exposures are not tightly synchronized, or if the exposure sync (shutter sync) is unknown, at best the probability of seeing the flash pop on both exposures is less than 50%. This close timing of the strobe trigger to the beginning of an exposure ordinarily makes flash with twin cameras very difficult when the strobe is triggered by only one of the cameras.

Twin Camera Trigger: However, if one can find a way to trigger a single external flash by using the strobe triggers from both cameras (Fig. 2), the very close position of the strobe trigger to the beginning of the exposure suddenly becomes a strong advantage. By using both camera hot shoe strobe triggers and choosing the second trigger, and having the trigger positioned very close to the beginning of the exposure, the shutter sync can be nearly as long as the exposure length and still have the flash pop on both exposures.

In essence, this technique of using both camera strobe triggers simply means popping the flash with the second strobe trigger.Triggered in this way, the flash pop has a far greater potential of appearing on both exposures, but the probability depends on four factors. The probability of matched exposures depends on how the strobe triggers are used, on the length of the camera strobe trigger pulses, on the shutter synchronization, and on the duration of the exposures (shutter speed).

Mechanical Hot Shoe Switch: Historically, the camera hot shoe contact was closed by a mechanism linked to the shutter. The shutter whips open, a linkage of some sort closes a set of metal contacts, and the flash pops. In this case, the duration of the contact closure (strobe trigger pulse length) probably is linked to the shutter speed--for a typical flash photo of 1/30 sec, the contact may be closed for 1/30 sec. I tested a modern Canon Elan film SLR, and the contacts remained closed for an astonishing 50 msec or 1/20 sec, considerably longer than the shutter speed.

Series Twin Camera Trigger: The very long duration of the strobe triggers here suggests an easy way to choose the second strobe trigger that will put the flash pop on both exposures--simply connect the hot shoe contacts in series (Fig. 3). However, most cameras seem to use the base of the hot shoe as ground for the camera body.

Series Problems: For this technique to work (Fig. 3), the two cameras would have to be insulated from each other. With insulated cameras, the electrical potential (voltage) across the cameras (between the photographer's hands) could be the trigger voltage of the flash. No problem if the flash is a good quality modern unit. Older and poorly designed units can have a trigger voltage as high as 350 volts. Although the current would be very low and probably not actually harm the photographer, the arcing and muscle quivering might draw ones attention from the subject at hand.

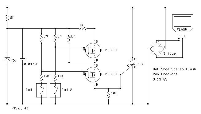
Isolated Series Solution: Better to design a circuit that isolates the cameras' hot shoes independently and keeps the flash trigger voltage well away from everything (Fig. 4). This circuit of my design uses the meager power from the flash unit's trigger circuit to accomplish both, as well as delaying the flash pop until both strobe triggers have occurred. As long as the cameras' strobe trigger pulse is longer than the shutter sync, and the shutter sync is less than the shutter speed, this ciruit will insure that the flash pop appears on both exposures.

Technical Problems--the Flash: The ideal circuit would draw its power from somewhere else, and the hefty battery pack of the flash unit would be the perfect source. Most modern flash units are designed to allow such external flash trigger accessories (such as a slave trigger) to draw a little power (~50 uA) through the flash trigger circuitry of the flash unit.

However, certainly not all flash units do this, and one of my flash units allows only about 5uA (5 millionths of an amp), an impossibly scant supply of power for any but the most austere circuits (Fig. 5). Yes, the series dual P-Channel MOSFET circuit above (Fig. 4) is just such circuit, drawing only a few microamps.

I found also that not all flash units use the central pin as the positive, thus the bridge rectifier as first line against the flash. The reversed polarity also could prevent such a flash unit from working directly on the hot shoe of a digital camera (although the seller advertisement for this particular flash indicated otherwise).

Technical Problems--the Camera Hotshoe: In digital cameras I have examined, the hot shoe switch (Fig. 6) is a silicon controlled rectifier (SCR). Once the gate of such a device is triggered, current flows in an avalanche through the device until negligable current remains, at which point the device will shut down and wait for the next trigger.

This mechanism means that the device gate need only be tickled briefly for a full release of the flash. In the digital cameras I have examined, the trigger gate current remains on and holding the electronic switch closed for only 2 msec or 1/500 sec, far briefer than the mechanical mechanism of film cameras. Thus for digital cameras, the simple series-type circuit (Fig. 3) or the isolated series-type circuit (Fig. 4) will be limited for general use because of the short hot shoe strobe pulse length, unless the shutter sync can be tightly constrained.

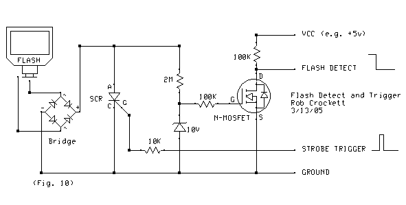
This SCR electronic switch mechanism of the digital camera hotshoe also means that current only flows one direction through the hot shoe contacts (from central pin to base of the camera hotshoe) as the switch is fundamentally a diode. Incidentally, also since it is a diode, the measured voltage across the hotshoe contacts when attached to a flash unit never gets to zero--the diode maintains a minimum voltage drop of 0.8 to 1.2 volts even when the 'switch' is closed, which complicates sensing with a low voltage microprocessor circuit (Fig. 9).

The 'Latched' Input Solution: To remove the drastic limitation of the very short hot shoe strobe pulse present in digital cameras (Fig. 8 and Fig. 9), I designed a system that 'latches' or remembers the strobe pulse from one camera while waiting for the other camera. This amounts to a 'latched AND' logic gate. This sort of circuit can be constructed using a dual flip-flop device, but the final circuit needs to have some sort of timed reset, a way to reset the latch or memory. Otherwise the device may trigger on the first strobe pulse of an exposure set if only one strobe pulse was detected on the prior exposure set--the detection of camera hot shoe pulses could get out of sync with the exposure sets.

By the time one added the additional circuitry for a timed reset of a dual flip-flop, using a small microprocessor becomes the more elegant solution (Fig. 9). The power required for this sort of circuit is small, but greater than can be supplied by most flash units. An on-board button battery can provide all the power needed, and since the power needs nonetheless are so small, the battery will probably will not need to be replaced by any but the heaviest user.

This microprocessor circuit above (Fig. 9) works amazing well . . . after struggling with twin camera stereo flash for years, I can hardly believe how well it works. For non-Sony twin camera stereo rigs, this is is the ultimate for flash, but this device can be used along with a LANC Shepherd and Sony cameras as well. If you are interested, I have details about purchasing a 'Magic Flash' stereo adapter here.

One Additional Technique: Ideally, the device would also automatically shut down if the flash unit is powered down, to prevent inadvertent power drain if the microprocessor circuit is accidentally left on. I did work out the hardware and firmware to allow this process, and here (Fig. 10) is the hardware front end for this approach. Unfortunately, a generic flash, even when powered down, can have significant residual voltage across the trigger pins. In fact, with a cheap flash I tested, the trigger voltage was inverted polarity at 275 volts when on, and not inverted at 20 volts when off. Gripes . . . who designs these flash units anyway? So I decided on simplicity for the basic microprocessor circuit above (Fig. 9).

Top Shelf Solution: I added microprocessor flash control to the LANC Shepherd and created the LANC Shepherd Pro. This provides not only external control of twin Sony cameras but also microprocessor control of an external flash. The flash can be either a dedicated Sony flash unit, or a generic PC/hotshoe flash unit. In a similar fashion, I created the SLR Shepherd also using a similar technique, which is a SLR-specific controller for optimal shutter sync and flash sync.


The Pictures: Here are a few sample flash stereo images for your enjoyment. I end up using fill flash quite a bit and really like it. The pairs are big, 900x600, and I need to use a screen resolution of at least 1024x768 to view them on a web page. I apologize to those of you without broadband also--the compression is mild, because I can't stand to see JPEG compression artifacts in stereo. These images all open in a new window. Optimized for screen resolution of 1024x768 or higher, 32 bit color.

Crossed View Parallel View
Redding, CA
My brother, and our guide, on the Sacramento River with one of many trout we caught that day.

Crossed View Parallel View
San Francisco, CA.
"Mr OB" (Russ Osmond-Bravard) is still smiling at the conclusion of another year's Age Of Sail over night grade school field trip to the Hyde Street Pier Museum.

Crossed View Parallel View
San Francisco, CA.
At the Hyde Street Pier maritime museum.

Crossed View Parallel View
British Virgin Islands.
"The Baths" at Virgin Gorda.

Crossed View Parallel View
Zion National Park, UT.
After a hot hike, enjoying an ice cream cone at the park lodge.

Crossed View Parallel View
Zion National Park, UT.
Observation point.



Best regards,
Rob Crockett
Copyright © 2010. All rights reserved.

Digital Stereo Photography Home